标题: 第111-112座桥:牦牛场-羊涧槽两座桥(已定)
信天谨游
管理员
Rank: 9Rank: 9Rank: 9


UID 5
精华 0
积分 0
帖子 29482
阅读权限 200
注册 2007-4-3
状态 离线
发表于 2023-2-22 10:15  资料 文集 短消息 
第111-112座桥:牦牛场-羊涧槽两座桥(已定)

云南省宁蒗县翠玉乡春东村委会牦牛场村-羊涧槽5桥、6桥位于羊涧槽村落中间,羊简槽是一个地名,海拔为3700米,属于牦牛场自然村,牦牛场村民也居住在羊涧槽,随着季节的变化,村民在不同海拔的地方放牦牛,住在海拔不同的地方,海拔4500米的地方也有牦牛场村的牧民居住。牦牛场村有农户45户,人口大约为200多口,上下学学生有中小学生20人左右,是一个以放牧为生的藏族村寨。村落里的水流量较大,而且地势低洼,没有修建桥梁雨季无法通行,存在很大的安全隐患。修建完工后,直接受益人将达200多人,间接受益人将达300多人。

说明:
因为牦牛场村地处偏远,同一个村的村民户口分别在翠玉乡、红桥乡、永宁乡三个乡,属于翠玉乡较多,做资料就由翠玉乡统一做资料。


这两座桥按照顺序命名为:
牦牛场村-羊涧槽5桥、牦牛场村-羊涧槽6桥,每座桥预算为4.6万元,两座桥一共9.2万元。



捐款人:
牦牛场-羊涧槽5桥:捐款人:钱广和钱嘉意:4.6万元
牦牛场-羊涧槽6桥:罗煜恒 :1万元;孙漫宇和陈晓璇:1万元;邹卫兵邹慧君全家:1万元;钱广和钱嘉意:1.6万元
顶部
信天谨游
管理员
Rank: 9Rank: 9Rank: 9


UID 5
精华 0
积分 0
帖子 29482
阅读权限 200
注册 2007-4-3
状态 离线
发表于 2023-2-22 10:33  资料 文集 短消息 
5桥、6桥预算:
石头:40方*180元=7200元
沙子:25方*260元=6500元
钢筋:22○的70根*140元=9800元
水泥:7.5吨*720元=5400元
水泥运费:800元
木板、木方、撑杆合计:2600元
人工:33*200元=6600元
挖机挖基础:2600元
运费:木板、钢筋:1200元
回填+护栏:3160元(此桥地势低洼,回填方量大,且需修建护栏)
合计:45860元/座,圆整为:46000元/座
5桥6桥总计:92000元
顶部
信天谨游
管理员
Rank: 9Rank: 9Rank: 9


UID 5
精华 0
积分 0
帖子 29482
阅读权限 200
注册 2007-4-3
状态 离线
发表于 2023-2-22 10:34  资料 文集 短消息 
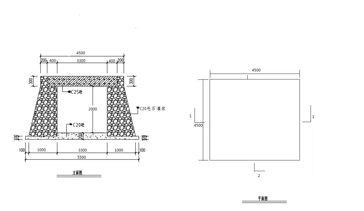
小桥施工方式:
  桥墩为毛石混凝土
  桥板为钢筋混凝土
     施工图如下:


图片附件: 222-新图-高度2米-毛石灌浆.jpg (2023-2-22 15:43, 82.98 K)

顶部
信天谨游
管理员
Rank: 9Rank: 9Rank: 9


UID 5
精华 0
积分 0
帖子 29482
阅读权限 200
注册 2007-4-3
状态 离线
发表于 2023-2-22 10:34  资料 文集 短消息 
预留.。
顶部
信天谨游
管理员
Rank: 9Rank: 9Rank: 9


UID 5
精华 0
积分 0
帖子 29482
阅读权限 200
注册 2007-4-3
状态 离线
发表于 2023-2-22 10:34  资料 文集 短消息 
预留.。
顶部
信天谨游
管理员
Rank: 9Rank: 9Rank: 9


UID 5
精华 0
积分 0
帖子 29482
阅读权限 200
注册 2007-4-3
状态 离线
发表于 2023-2-22 15:37  资料 文集 短消息 
预留.。
顶部
信天谨游
管理员
Rank: 9Rank: 9Rank: 9


UID 5
精华 0
积分 0
帖子 29482
阅读权限 200
注册 2007-4-3
状态 离线
发表于 2023-2-22 15:37  资料 文集 短消息 
预留.。
顶部
信天谨游
管理员
Rank: 9Rank: 9Rank: 9


UID 5
精华 0
积分 0
帖子 29482
阅读权限 200
注册 2007-4-3
状态 离线
发表于 2023-2-22 16:21  资料 文集 短消息 
牦牛场村-羊涧槽5桥:修桥位置。


图片附件: 511-1_副本.jpg (2023-2-22 16:21, 158.66 K)



图片附件: 511-2_副本.jpg (2023-2-22 16:21, 177.16 K)



图片附件: 511-3_副本.jpg (2023-2-22 16:21, 221.05 K)



图片附件: 511-4_副本.jpg (2023-2-22 16:21, 180.71 K)

顶部
信天谨游
管理员
Rank: 9Rank: 9Rank: 9


UID 5
精华 0
积分 0
帖子 29482
阅读权限 200
注册 2007-4-3
状态 离线
发表于 2023-2-22 16:22  资料 文集 短消息 
牦牛场村-羊涧槽6桥:修桥位置。


图片附件: 611-1_副本.jpg (2023-2-22 16:22, 151.71 K)



图片附件: 611-2_副本.jpg (2023-2-22 16:22, 162.17 K)



图片附件: 611-3_副本.jpg (2023-2-22 16:22, 165.28 K)



图片附件: 611-4_副本.jpg (2023-2-22 16:22, 179.24 K)

顶部
信天谨游
管理员
Rank: 9Rank: 9Rank: 9


UID 5
精华 0
积分 0
帖子 29482
阅读权限 200
注册 2007-4-3
状态 离线
发表于 2023-4-10 15:45  资料 文集 短消息 
施工照片:


图片附件: 311_副本.jpg (2023-4-10 15:45, 180.28 K)



图片附件: 312_副本.jpg (2023-4-10 15:45, 184.16 K)



图片附件: 313_副本.jpg (2023-4-10 15:45, 173.31 K)



图片附件: 314_副本.jpg (2023-4-10 15:45, 186.69 K)

顶部
 


当前时区 GMT+8, 现在时间是 2025-10-14 19:28
京ICP备07004120号

    本论坛支付平台由支付宝提供
携手打造安全诚信的交易社区 Powered by Discuz! 5.0.0  © 2001-2006 Comsenz Inc.
清除 Cookies - 联系我们 - 信天谨游 - Archiver